Structural Generation of HVAC Plans with the Assistance of Large Language Models

Contact: Michael Jungo

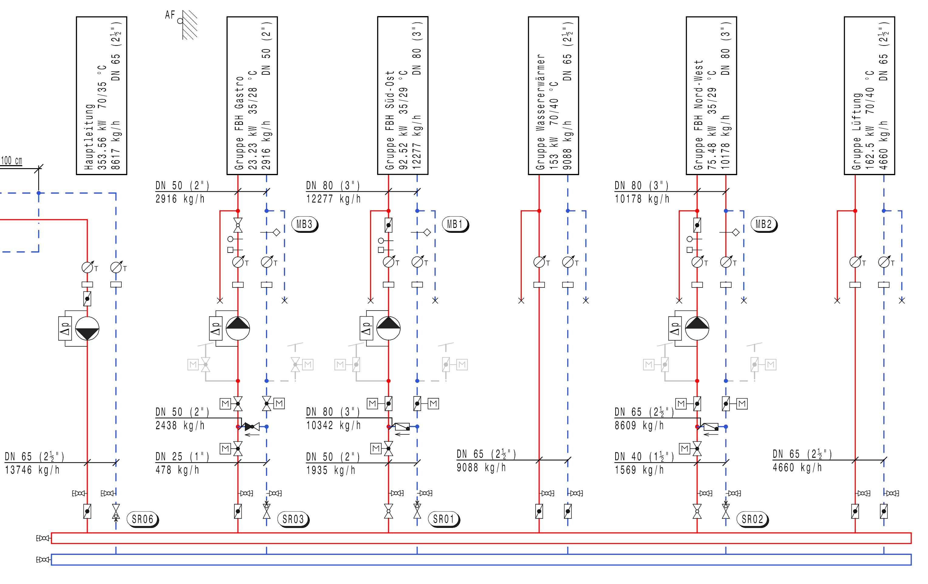
HVAC Plan Excerpt
Figure 1: Excerpt from an HVAC plan

Overview

Heating, Ventilation and Air Conditioning (HVAC) systems require extensive planning to ensure that they function correctly and efficiently before they can be installed into a building. The resulting HVAC plans are complex technical drawings with a variety of symbols, sometimes with small visual differences, which are connected by fairly inconspicuous lines to indicate the flow of the water or air, respectively. These plans are not accompanied by an underlying machine-readable representation, i.e. the visual plan is the source of truth, therefore locating and identifying the symbols and their connections are crucial for the analysis of any given plan.

A large annotated dataset is needed to train detection models effectively, but since the annotation process of such complex plans is tremendously time consuming, we focus on generating high quality synthetic plans that resemble the real plans as closely as possible.

Unlike in commonly used generative image generation methods, such as diffusion models, where the location of the generated content cannot easily be extracted, we are interested in a structural generation, such that the underlying structure of the plan, e.g. a graph, is generated and then converted to an image.

Having a structural representation of the plan opens up the possibilities to incorporate Large Language Models (LLMs), either by assisting in the generation of realistic layouts, or by providing a chat interface where the user can generate a new plan with natural language and iteratively change existing plans.

Objectives

  • Review state-of-the-art methods for the generation of technical drawings.
  • Implement a rendering method of a plan from a structural representation which allows extracting the position of the symbols.
  • Apply LLMs to generate or modify plans through natural language.

Methodology

  1. Literature Review - Study rendering methods and generation of structured output.
  2. Rendering Implementation - Create an image from any structured representation.
  3. Generation - Explore generation techniques with the help of LLMs.
  4. Evaluation - Determine the quality of the synthetic plans, such as by evaluating the improvement of an existing symbol detection approach.
  5. Reporting - Final thesis, presentation and optional publication.

Skills to be Acquired

  • Turn a structural representation into an image while preserving the location of the elements.
  • Prompting LLMs for a structured output.

Created: 03.11.2025